 |
|
 |
杭州步尊自动化科技有限公司
地 址:杭州市江干区九盛路9号
销售热线:0571-89806389
0571-89806390
24h服务热线:15068159131
技术支持:0571-89806388
传 真: 0571-89806388
邮 箱:hzbuzun@163.com
网 址:www.hzbzjd.com
|
 |
|
|
|
|
 |
| 三相感应马达 |
|
爱德利交流电感应马达是以IEC标准设计。这些三相马达适合许多不同工业用途,
并且不管是新的或维修用的设备,
皆可以非常方便地安装。IEC马达的功率0.25~20HP、框号从63到160,还有更高效率系列。
这些高效率马达达到许多国家认定标准,高效率电动机功率1~10HP,框号从80到132.
|
型号
|
功率
(HP)
|
框号
|
额定速度
(RPM)
|
额定转矩
(KG-M)
|
|
2P
|
4P
|
6P
|
2P
|
4P
|
6P
|
2P
|
4P
|
6P
|
|
AEVF
/
AEEF
|
1/4
|
63
|
63
|
71
|
3335
|
1650
|
1120
|
0.054
|
0.11
|
0.162
|
|
1/2
|
71
|
71
|
80
|
3370
|
1680
|
1130
|
0.108
|
0.216
|
0.321
|
|
1
|
80
|
80
|
90L
|
3395
|
1700
|
1140
|
0.214
|
0.427
|
0.637
|
|
2
|
90L
|
90L
|
100L
|
3415
|
1710
|
1140
|
0.425
|
0.849
|
1.237
|
|
3
|
90L
|
100L
|
112M
|
3450
|
1725
|
1150
|
0.631
|
1.262
|
1.894
|
|
5
|
112M
|
112M
|
132S
|
3470
|
1745
|
1160
|
1.046
|
2.080
|
3.129
|
|
7.5
|
132S
|
132S
|
132M
|
3490
|
1760
|
1160
|
1.560
|
3.111
|
4.693
|
|
10
|
132S
|
132M
|
160M
|
3490
|
1750
|
1170
|
2.080
|
4.148
|
6.204
|
|
15
|
160M
|
160M
|
160L
|
3510
|
1760
|
1170
|
3.102
|
6.186
|
9.306
|
|
20
|
160M
|
160L
|
--
|
3520
|
1760
|
1170
|
4.124
|
8.248
|
12.408
|
标准尺寸:
高效率系列:
|
型号
|
功率
(HP)
|
框号
|
极数
|
满载
|
启动
|
最大
转矩 ﹪
|
|
速度
(RPM)
|
转矩
Kg-M
|
Eff. ﹪
|
P. F. ﹪
|
电流 A
|
转矩 ﹪
|
电流 A
|
|
AEVF-HE
/
AEEF-HE
|
1
|
80
|
2
|
3450
|
0.22
|
81
|
75
|
3.20
|
250
|
19.00
|
280
|
|
80
|
4
|
1725
|
0.42
|
81
|
74
|
3.24
|
250
|
19.60
|
270
|
|
2
|
90
|
2
|
2450
|
0.42
|
81.5
|
88
|
5.60
|
220
|
24.00
|
250
|
|
90
|
4
|
1725
|
0.84
|
83
|
79
|
5.74
|
220
|
34.00
|
230
|
|
3
|
100
|
4
|
1725
|
1.26
|
86
|
82.5
|
8.30
|
230
|
62.00
|
240
|
|
5
|
112
|
2
|
3450
|
1.05
|
86
|
87
|
13.50
|
200
|
25.00
|
220
|
|
112
|
4
|
1725
|
2.10
|
87
|
88
|
13.00
|
180
|
85.00
|
227
|
|
7.5
|
132S
|
2
|
3450
|
1.58
|
89
|
85
|
20.30
|
200
|
140.00
|
200
|
|
132S
|
4
|
1725
|
3.16
|
89
|
88
|
18.60
|
180
|
115.00
|
197
|
|
10
|
132M
|
2
|
3450
|
2.10
|
89
|
87
|
26.00
|
170
|
182.00
|
175
|
|
132M
|
4
|
1725
|
4.20
|
89
|
88
|
25.00
|
170
|
13.00
|
175
|
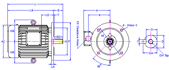
尺寸图:
|
型号
|
框号
|
图示
|
AC
|
AD
|
AE
|
HB
|
KK
|
L
|
LA
|
LB
|
LD
|
M
|
N
|
P
|
S
|
T
|
D
|
粣傷
|
|
E
|
ED
|
F
|
G
|
GA
|
|
AEVF
|
63
|
1
|
144
|
115
|
88
|
-
|
22
|
212
|
9
|
215
|
74
|
130
|
110
|
160
|
10
|
3.0
|
11
|
23
|
18
|
4
|
8.5
|
12.5
|
|
71
|
1
|
162
|
125
|
98
|
-
|
22
|
266
|
12
|
236
|
82
|
130
|
110
|
160
|
10
|
3.5
|
14
|
30
|
25
|
5
|
11
|
16
|
|
80
|
2
|
177
|
137
|
117
|
-
|
22
|
272
|
12
|
232
|
55
|
165
|
130
|
200
|
12
|
3.5
|
19
|
40
|
35
|
6
|
15.5
|
21.5
|
|
90L
|
3
|
200
|
150
|
130
|
-
|
22
|
361
|
12
|
311
|
113
|
165
|
130
|
200
|
12
|
3.5
|
24
|
50
|
45
|
8
|
20
|
27
|
|
100L
|
2
|
219
|
173
|
140
|
140
|
28
|
363
|
16
|
303
|
88
|
215
|
180
|
250
|
15
|
4.0
|
28
|
60
|
55
|
8
|
24
|
31
|
|
112M
|
3
|
238
|
182
|
149
|
150
|
28
|
422
|
16
|
362
|
135
|
215
|
180
|
250
|
15
|
4.0
|
28
|
60
|
55
|
8
|
24
|
31
|
|
132S
|
2
|
273
|
218
|
175
|
169
|
35
|
446
|
20
|
366
|
97
|
265
|
230
|
300
|
15
|
4.0
|
38
|
80
|
75
|
10
|
33
|
41
|
|
132M
|
2
|
273
|
218
|
175
|
169
|
35
|
484
|
20
|
404
|
116
|
265
|
230
|
300
|
15
|
4.0
|
38
|
80
|
75
|
10
|
33
|
41
|
|
160M
|
4
|
334
|
256
|
213
|
217
|
35
|
604
|
20
|
404
|
151
|
300
|
250
|
350
|
19
|
5.0
|
42
|
110
|
105
|
12
|
37
|
45
|
|
160L
|
4
|
334
|
256
|
213
|
217
|
35
|
648
|
20
|
538
|
173
|
300
|
250
|
350
|
19
|
5.0
|
42
|
110
|
105
|
12
|
37
|
45
|
|
型号
|
框号
|
图示
|
A
|
AA
|
AB
|
AC
|
AD
|
AE
|
B
|
BB
|
C
|
H
|
HA
|
HD
|
HE
|
K
|
KK
|
L
|
LE
|
轴端
|
|
D
|
E
|
ED
|
F
|
G
|
GA
|
|
AEEF
|
63
|
1
|
100
|
28.0
|
120
|
144
|
115
|
88
|
80
|
100
|
40
|
63
|
8.0
|
135
|
28
|
7
|
22
|
209
|
66
|
11
|
23
|
18
|
4
|
8.5
|
12.5
|
|
71
|
1
|
112
|
35.5
|
140
|
162
|
125
|
98
|
90
|
115
|
45
|
71
|
8.0
|
152
|
53
|
7
|
22
|
239
|
74
|
14
|
30
|
25
|
5
|
11.0
|
16.0
|
|
80
|
1
|
125
|
35.5
|
155
|
177
|
137
|
107
|
100
|
130
|
50
|
80
|
9.0
|
168
|
55
|
10
|
22
|
272
|
82
|
19
|
40
|
35
|
6
|
15.5
|
21.5
|
|
90L
|
1
|
140
|
35.5
|
170
|
200
|
150
|
120
|
125
|
150
|
56
|
90
|
10.0
|
190
|
65
|
10
|
22
|
322
|
91
|
24
|
50
|
45
|
8
|
20.0
|
27.0
|
|
100L
|
2
|
160
|
45.0
|
195
|
219
|
173
|
140
|
140
|
175
|
63
|
100
|
12.5
|
243
|
70
|
12
|
28
|
363
|
100
|
28
|
60
|
55
|
8
|
24.0
|
31.0
|
|
112M
|
2
|
190
|
45.0
|
224
|
238
|
182
|
149
|
140
|
175
|
70
|
112
|
14.0
|
265
|
82
|
12
|
28
|
382
|
112
|
28
|
60
|
55
|
8
|
24.0
|
31.0
|
|
132S
|
2
|
216
|
45.0
|
250
|
273
|
218
|
175
|
140
|
185
|
89
|
132
|
16.0
|
310
|
83
|
12
|
35
|
446
|
137
|
38
|
80
|
75
|
10
|
33.0
|
41.0
|
|
132M
|
2
|
216
|
45.0
|
250
|
273
|
218
|
175
|
178
|
212
|
89
|
132
|
16.0
|
310
|
83
|
12
|
35
|
484
|
137
|
38
|
80
|
75
|
10
|
33.0
|
41.0
|
|
160M
|
3
|
254
|
50.0
|
300
|
334
|
256
|
213
|
210
|
250
|
108
|
160
|
18.0
|
377
|
108
|
15
|
35
|
604
|
176
|
42
|
110
|
105
|
12
|
37.0
|
45.0
|
|
160L
|
3
|
254
|
50.0
|
300
|
334
|
256
|
213
|
254
|
300
|
108
|
160
|
18.0
|
377
|
108
|
15
|
35
|
648
|
176
|
42
|
110
|
105
|
12
|
37.0
|
45.0
|
怀堤
(HP)
|
遺瘍
|
芞尨
|
P
|
AC
|
AD
|
AE
|
HB
|
KK
|
L
|
LA
|
LB
|
LD
|
M
|
N
|
P
|
S
|
T
|
轴端
|
|
D
|
E
|
ED
|
F
|
G
|
GA
|
|
1
|
80
|
1
|
2
|
177
|
137
|
117
|
-
|
22
|
272
|
12
|
232
|
55
|
165
|
130
|
200
|
12
|
3.5
|
19
|
40
|
35
|
6
|
15.5
|
21.5
|
|
80
|
1
|
4
|
177
|
137
|
117
|
-
|
22
|
272
|
12
|
232
|
55
|
165
|
130
|
200
|
12
|
3.5
|
19
|
40
|
35
|
6
|
15.5
|
21.5
|
|
2
|
90L
|
2
|
2
|
200
|
150
|
130
|
-
|
22
|
361
|
12
|
311
|
113
|
165
|
130
|
200
|
12
|
3.5
|
24
|
50
|
45
|
8
|
20
|
27
|
|
90L
|
2
|
4
|
200
|
150
|
130
|
-
|
22
|
361
|
12
|
311
|
113
|
165
|
130
|
200
|
12
|
3.5
|
24
|
50
|
45
|
8
|
20
|
27
|
|
3
|
100L
|
1
|
4
|
219
|
173
|
140
|
140
|
28
|
363
|
16
|
303
|
88
|
215
|
180
|
250
|
15
|
4.0
|
28
|
60
|
55
|
8
|
24
|
31
|
|
5
|
112M
|
2
|
2
|
238
|
182
|
149
|
150
|
28
|
422
|
16
|
362
|
135
|
215
|
180
|
250
|
15
|
4.0
|
28
|
60
|
55
|
8
|
24
|
31
|
|
112M
|
2
|
4
|
238
|
182
|
149
|
150
|
28
|
422
|
16
|
362
|
135
|
215
|
180
|
250
|
15
|
4.0
|
28
|
60
|
55
|
10
|
24
|
31
|
|
7.5
|
132S
|
1
|
2
|
273
|
218
|
175
|
169
|
35
|
446
|
20
|
366
|
97
|
265
|
230
|
300
|
15
|
4.0
|
38
|
80
|
75
|
10
|
33
|
41
|
|
132S
|
1
|
4
|
273
|
218
|
175
|
169
|
35
|
446
|
20
|
366
|
97
|
265
|
230
|
300
|
15
|
4.0
|
38
|
80
|
75
|
10
|
33
|
41
|
|
10
|
132S
|
1
|
2
|
273
|
218
|
175
|
169
|
35
|
446
|
20
|
366
|
97
|
265
|
230
|
300
|
15
|
4.0
|
38
|
80
|
75
|
10
|
33
|
41
|
|
132M
|
1
|
4
|
273
|
218
|
175
|
169
|
35
|
484
|
20
|
404
|
116
|
265
|
230
|
300
|
15
|
4.0
|
38
|
80
|
75
|
10
|
33
|
41
|
怀堤
(HP)
|
遺瘍
|
芞尨
|
A
|
AA
|
AB
|
AC
|
AD
|
AE
|
B
|
BB
|
C
|
H
|
HA
|
HD
|
HE
|
K
|
KK
|
L
|
LE
|
轴端
|
|
D
|
E
|
ED
|
F
|
G
|
GA
|
|
1
|
80
|
1
|
125
|
35.5
|
155
|
177
|
137
|
107
|
100
|
130
|
50
|
80
|
9.0
|
168
|
55
|
10
|
22
|
272
|
82
|
19
|
40
|
35
|
6
|
15.5
|
21.5
|
|
80
|
1
|
125
|
35.5
|
155
|
177
|
137
|
107
|
100
|
130
|
50
|
80
|
9.0
|
168
|
55
|
10
|
22
|
272
|
82
|
19
|
40
|
35
|
6
|
15.5
|
21.5
|
|
2
|
90L
|
1
|
140
|
35.5
|
170
|
200
|
150
|
120
|
125
|
150
|
56
|
90
|
10.0
|
190
|
65
|
10
|
22
|
322
|
91
|
24
|
50
|
45
|
8
|
20.0
|
27.0
|
|
90L
|
1
|
140
|
35.5
|
170
|
200
|
150
|
120
|
125
|
150
|
56
|
90
|
10.0
|
190
|
65
|
10
|
22
|
322
|
91
|
24
|
50
|
45
|
8
|
20.0
|
27.0
|
|
3
|
90L
|
1
|
160
|
45.0
|
195
|
219
|
173
|
140
|
140
|
175
|
63
|
100
|
12.5
|
243
|
70
|
12
|
28
|
363
|
100
|
28
|
60
|
55
|
8
|
24.0
|
31.0
|
|
5
|
112M
|
2
|
190
|
45.0
|
224
|
238
|
182
|
149
|
140
|
175
|
70
|
112
|
14.0
|
265
|
82
|
12
|
28
|
382
|
112
|
28
|
60
|
55
|
8
|
24.0
|
31.0
|
|
112M
|
2
|
190
|
45.0
|
224
|
238
|
182
|
149
|
140
|
175
|
70
|
112
|
14.0
|
265
|
82
|
12
|
28
|
382
|
112
|
28
|
60
|
55
|
8
|
24.0
|
31.0
|
|
7.5
|
132S
|
2
|
216
|
45.0
|
250
|
273
|
218
|
175
|
140
|
185
|
89
|
132
|
16.0
|
310
|
83
|
12
|
35
|
446
|
137
|
38
|
80
|
75
|
10
|
33.0
|
41.0
|
|
132S
|
2
|
216
|
45.0
|
250
|
273
|
218
|
175
|
140
|
185
|
89
|
132
|
16.0
|
310
|
83
|
12
|
35
|
446
|
137
|
38
|
80
|
75
|
10
|
33.0
|
41.0
|
|
10
|
132S
|
2
|
216
|
45.0
|
250
|
273
|
218
|
175
|
140
|
185
|
89
|
132
|
16.0
|
310
|
83
|
12
|
35
|
446
|
137
|
38
|
80
|
75
|
10
|
33.0
|
41.0
|
|
132M
|
3
|
216
|
45.0
|
250
|
273
|
218
|
175
|
178
|
212
|
89
|
132
|
16.0
|
310
|
83
|
12
|
35
|
484
|
137
|
38
|
80
|
75
|
10
|
33.0
|
41.0
|
文章分页:1
|
上一篇文章:IE2 V3 鼓风机马达
下一篇文章:暂无
|
|
|
 |
|
 |
|