 |
|
 |
杭州步尊自动化科技有限公司
地 址:杭州市江干区九盛路9号
销售热线:0571-89806389
0571-89806390
24h服务热线:15068159131
技术支持:0571-89806388
传 真: 0571-89806388
邮 箱:hzbuzun@163.com
网 址:www.hzbzjd.com
|
 |
|
|
|
|
 |
| 伺服电机 SGMJV |
|
伺服电机 SGMJV 型号判别方法
|
● 第1+2位:额定输出
|
|
● 第3位:电源电压
|
|
符号
|
规格
|
|
01
|
100W
|
|
02
|
200W
|
|
04
|
400W
|
|
08
|
750W
|
|
|
|
|
● 第4位:串行编码器
|
|
● 第5位:设计顺序
|
|
|
|
|
|
● 第6位:轴端
|
|
● 第7位:选配件
|
|
|
|
|
符号
|
规格
|
|
E*
|
带油封、带保持制动器(DC24V)
|
|
S*
|
带油封
|
|
伺服电机 SGMJV 额定值和规格
|
额 定 时 间:
|
连续
|
耐 热 等 级:
|
B
|
|
振 动 等 级:
|
V15
|
绝 缘 耐 压:
|
AC1500V 1分钟
|
|
绝 缘 电 阻:
|
DC500V,10MΩ以上
|
保 护 方 式:
|
全封闭自冷式IP65(轴贯通部分除外)
|
|
使用环境温度:
|
0~40°C
|
使用环境湿度:
|
20~80%(不得结露)
|
|
励 磁 方 式:
|
永磁式
|
连 接 方 式:
|
直接连接
|
|
安 装 方 式:
|
法兰式
|
旋 转 方 向:
|
正转指令下从负载侧看时
为逆时针方向(CCW)旋转
|
|
电压
|
200V
|
|
伺服电机型号 SGMJV-���
|
01A
|
02A
|
04A
|
08A
|
|
额定输出*1
|
W
|
100
|
200
|
400
|
750
|
|
额定转矩*1,*2
|
N·m
|
0.318
|
0.637
|
1.27
|
2.39
|
|
瞬时最大转矩*1
|
N·m
|
1.11
|
2.23
|
4.46
|
8.36
|
|
额定电流*1
|
Arms
|
0.84
|
1.6
|
2.7
|
4.7
|
|
瞬时最大电流*1
|
Arms
|
2.9
|
5.8
|
9.3
|
16.9
|
|
额定转速*1
|
min-1
|
3000
|
|
最高转速*1
|
min-1
|
6000
|
|
转矩参数
|
N·m/Arms
|
0.413
|
0.435
|
0.512
|
0.544
|
|
转子转动惯量
|
×10-4kg·m2
|
0.0596
(0.0743)
|
0.245
(0.309)
|
0.418
(0.482)
|
1.45
(1.621)
|
|
额定功率变化率*1
|
kW/s
|
17.0
|
16.6
|
38.6
|
39.4
|
|
额定角加速度*1
|
rad/s2
|
53400
|
26000
|
30400
|
16500
|
|
配套伺服单元
|
SGDV-����
|
R90A
|
1R6A
|
2R8A
|
5R5A
|
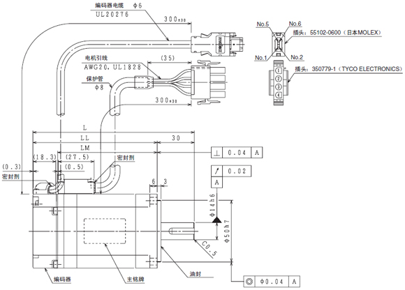
伺服电机 SGMJV 外形
100W(带制动器)


|
型号
SGMJV
|
L
|
LL
|
LM
|
大致质量
kg
|
|
01ADE6E
|
157.5
|
132.5
|
56
|
0.7
|
● 200W(不带制动器)


|
型号
SGMJV
|
L
|
LL
|
LM
|
大致质量
kg
|
|
02ADE6S
|
109
|
79
|
59
|
0.9
|
400W(不带制动器)



|
型号
SGMJV
|
L
|
LL
|
LM
|
大致质量
kg
|
|
04ADE6S
|
129
|
99
|
79
|
1.3
|
750W(不带制动器)



|
型号
SGMJV
|
L
|
LL
|
LM
|
大致质量
kg
|
|
08ADE6S
|
152
|
112
|
92
|
2.7
|
文章分页:1
|
上一篇文章:伺服驱动器 SJDE
下一篇文章: 伺服电机 SGMAV
|
|
|
 |
|
 |
|