错误:错误的SQL字符串 update user_pro set hots= hots+1 where ID=350 E40S-产品展示-
                IOT物联网平台
                数字孪生
                能源管理
                设备管理
                物联网关
                库伯勒Kubler产品系列
                线性测量技术系列
                增量型编码器系列
                绝对值编码器系列
                Pepperl+Fuchs倍加福..
                恒力开度仪
                防爆编码器
                增量型旋转编码器
                绝对值旋转编码器
                Wachendorff沃申道夫
                测量系统
                绝对值编码器
                增量型编码器                    中空轴系列                    伸出轴系列
                SIEMENS西门子系列
                PLC可编程控制器系列                    S7-400系列                    S7-1200系列                    S7-300系列                    S7-200系列
                Autonic奥托尼克斯系列
                接近开关
                编码器
                传感器
                Tamagawa多摩川系列
                伺服电机及驱动器
                旋转变压器
                绝对值编码器
                增量式编码器
                KOYO光洋电子系列
                可编程控制器(PLC)
                接近开关
                计数器
                凸轮开关
                触摸屏
                旋转编码器                    绝对值编码器                    增量型编码器
                NEMICON内密控系列
                实心轴编码器
                空心轴编码器
                电子手轮
                DELTA中达电通系列
                控制类产品                    工业网络解决方案                    文本显示器                    HMI人机界面                    PLC可编程控制器
                运动类产品
                驱动类产品                    电能质量管理                    变频器
                BUZUN模具设计及制造
                其他特殊模具
                塑胶模具
                五金模具
                Buzun-Motor电机系列
                上海南洋电机                    直流测速发电机                    Z系列                    YSG系列                    Z4系列                    YZB系列                    YTSZ系列                    YTSP系列
                特种电机
                工业控制元件检测维修
                人机界面检测及维修
                特种电机检测及维修
                可编程控制器检测维修
                变频器检测及维修
                编码器检测及维修
                Adleepower爱德利
                爱德利工业马达
                爱德利变频器
                YASKAWA安川系列
                安川伺服电机编码器
                安川驱动单元
                安川制动单元
                安川变频器

杭州步尊自动化科技有限公司
地   址:杭州市江干区九盛路9号
销售热线:0571-89806389
                0571-89806390
24h服务热线:15068159131
技术支持:0571-89806388
传   真: 0571-89806388
邮   箱:hzbuzun@163.com
网    址:www.hzbzjd.com


产品展示
您所在的位置:首页->产品展示
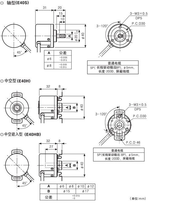
E40S

 外径ø40mm轴型/中空轴型/嵌入型增量旋转编码器E40系列, 新增电源电压12-24VDCLine Driver输出型产品,增加用户的选择空间。同时,可在狭小的空间安装,轴惯性力矩小,方便客户使用。

主要特征
*
电源电源12-24VDCLine Driver输出型
*可在狭小空间安装
*
轴惯性力矩小
*
电源电压:5VDC,12-24VDC, ±5%
*
多种输出方式
应用实例
*
测定长度

 
型号构成
 
规格/性能

外形尺寸图
 

 
接线图

 
使用注意事项 

注意安全
 


文章分页:1 
上一篇文章:E50S
下一篇文章: E58系列
 

销售热线:0571-89806389 /89806390,技术支持:0571-89806388,传   真:0571-89806388
24H服务热线:15068159131  邮   箱:hzbuzun@163.com. 网    址:www.hzbzjd.com
地   址:杭州市江干区九盛路9号   版权所有:杭州步尊自动化科技有限公司 浙ICP备18045832号-1 

友情链接:中国工控网中华工控网建材网中国供应商马可波罗网

技术支持:首屏科技

在线交流 
在线咨询 在线咨询 在线咨询 在线咨询 在线咨询 在线咨询 在线咨询 在线咨询